服务于全球各领域电子制造客户
公司新闻 行业动态 产品知识
DF62 Series
特点 [SignalBee™] 2 x 2.2 mm间距 用于狭小空间纤细型中继连接器(UL C-UL认证产品) 1. 纤细光滑的外形适合狭窄空间的布线 2. 清晰的锁扣感和目视可确认是否锁定 3. 可靠的接触结构 4. 坚固的端子结构 5. 芯数选型:2、3、4、5、6、7、13、24 DF62B:标准型 DF62C:锁加部保护强化型 DF62P:面板安装型 6. 可与DF11/DF59系列共用自动压着设备 7. 防冷凝措施(防水型DF62W) 细小
特点
[SignalBee™]
2 x 2.2 mm间距
用于狭小空间纤细型中继连接器(UL C-UL认证产品)
1. 纤细光滑的外形适合狭窄空间的布线
2. 清晰的锁扣感和目视可确认是否锁定
3. 可靠的接触结构
4. 坚固的端子结构
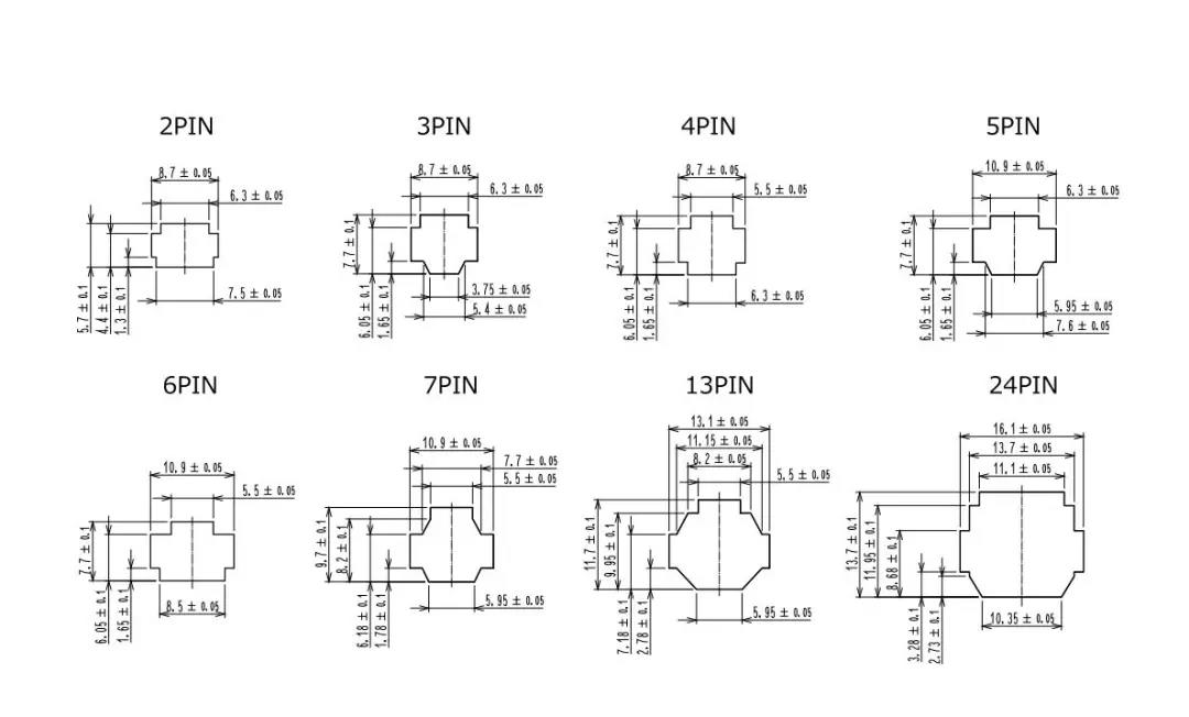
5. 芯数选型:2、3、4、5、6、7、13、24
DF62B:标准型
DF62C:锁加部保护强化型
DF62P:面板安装型
6. 可与DF11/DF59系列共用自动压着设备
7. 防冷凝措施(防水型DF62W)
操作简单&锁扣确实
选型
锁扣防护栏外壳(Socket)DF62C选型
面板安装型插头(DF62P)
DF62P 推荐面板加工尺寸
垂直DIP型
直角DIP型
规格
上一篇广濑电机type-c连接器“cx”系列新增16芯防水插座
下一篇df40 series丨0.4mm间距,1.5-4.0mm高,板对fpc连接器
www@米兰官方网站-milan(中国)
Maggie
微信咨询
黎小姐